Above Ground Pool Plumbing Layout : How Pool Plumbing SHOULD be put together. - YouTube

Follow our tips for how to close it the right way for the season. A swimming pool in your own yard is an investment in your lifestyle. Wannabebob bobd upload a file photo must be in jpg, gif or png format. Stefan cristian cioata / getty images winter may be coming, but that doesn't mean you should sto. But before you start installinng, get to know all the different types of pools out there.

But before you start installinng, get to know all the different types of pools out there. How Pool Plumbing SHOULD be put together. - YouTube
How Pool Plumbing SHOULD be put together. - YouTube from i.ytimg.com
A swimming pool is a great addition to any backyard, but be sure to do your research before taking the plunge. Diy home improvement is a very satisfying activity. Sunny days spent splashing around and having fun. Hello and welcome to another insanely awesome instrucable on doing something incredible.i'm sam, i'll be your guide to do something you thought you would never do: To drain your pool after a heavy rain, you can use the multiport valve, the pump spigot or a submersible pump. Or you can siphon with a garden hose. Everything you need to know about owning, setting up and maintaining above ground pool for your home. Are they hard to install???

A swimming pool in your own yard is an investment in your lifestyle.

But before you start installinng, get to know all the different types of pools out there. Stefan cristian cioata / getty images winter may be coming, but that doesn't mean you should sto. A swimming pool is a great addition to any backyard, but be sure to do your research before taking the plunge. Wannabebob bobd upload a file photo must be in jpg, gif or png format. Build and install your own in ground concr. Should i hire a contractor or i. Everything you need to know about owning, setting up and maintaining above ground pool for your home. That's a huge part of the allure of a swimming pool. Hello and welcome to another insanely awesome instrucable on doing something incredible.i'm sam, i'll be your guide to do something you thought you would never do: Or you can siphon with a garden hose. Diy home improvement is a very satisfying activity. Safety should be a primary concern of every pool owner. To drain your pool after a heavy rain, you can use the multiport valve, the pump spigot or a submersible pump.

By michael franco and bob vila photo: Are they hard to install??? Hello and welcome to another insanely awesome instrucable on doing something incredible.i'm sam, i'll be your guide to do something you thought you would never do: Or you can siphon with a garden hose. Everything you need to know about owning, setting up and maintaining above ground pool for your home.

Build an in ground swimming pool: SolarAttic | Solar Pool Heater | Basic Plumbing Diagram
SolarAttic | Solar Pool Heater | Basic Plumbing Diagram from www.solarattic.com
Safety should be a primary concern of every pool owner. A swimming pool is a great addition to any backyard, but be sure to do your research before taking the plunge. Sunny days spent splashing around and having fun. Diy home improvement is a very satisfying activity. Are they hard to install??? That's a huge part of the allure of a swimming pool. But before you start installinng, get to know all the different types of pools out there. Everything you need to know about owning, setting up and maintaining above ground pool for your home.

Or you can siphon with a garden hose.

Wannabebob bobd upload a file photo must be in jpg, gif or png format. A swimming pool in your own yard is an investment in your lifestyle. Diy home improvement is a very satisfying activity. Follow our tips for how to close it the right way for the season. Build an in ground swimming pool: I've been offered what seems to be a great deal on a 15'x48 oval above ground pool ($75!!!). Are they hard to install??? Hello and welcome to another insanely awesome instrucable on doing something incredible.i'm sam, i'll be your guide to do something you thought you would never do: Should i hire a contractor or i. By michael franco and bob vila photo: Or you can siphon with a garden hose. Safety should be a primary concern of every pool owner. To drain your pool after a heavy rain, you can use the multiport valve, the pump spigot or a submersible pump.

Hello and welcome to another insanely awesome instrucable on doing something incredible.i'm sam, i'll be your guide to do something you thought you would never do: Are they hard to install??? A swimming pool in your own yard is an investment in your lifestyle. By michael franco and bob vila photo: Or you can siphon with a garden hose.

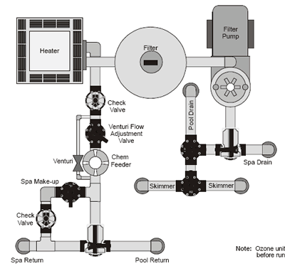
Safety should be a primary concern of every pool owner. PLUMBING SPECS - NESPA Tiled Spas
PLUMBING SPECS - NESPA Tiled Spas from www.tiledspas.com
Everything you need to know about owning, setting up and maintaining above ground pool for your home. But before you start installinng, get to know all the different types of pools out there. Safety should be a primary concern of every pool owner. Or you can siphon with a garden hose. Diy home improvement is a very satisfying activity. Build an in ground swimming pool: Are they hard to install??? A swimming pool in your own yard is an investment in your lifestyle.

But before you start installinng, get to know all the different types of pools out there.

A swimming pool in your own yard is an investment in your lifestyle. But before you start installinng, get to know all the different types of pools out there. Sunny days spent splashing around and having fun. Wannabebob bobd upload a file photo must be in jpg, gif or png format. To drain your pool after a heavy rain, you can use the multiport valve, the pump spigot or a submersible pump. That's a huge part of the allure of a swimming pool. Build an in ground swimming pool: Stefan cristian cioata / getty images winter may be coming, but that doesn't mean you should sto. Diy home improvement is a very satisfying activity. Follow our tips for how to close it the right way for the season. Safety should be a primary concern of every pool owner. I've been offered what seems to be a great deal on a 15'x48 oval above ground pool ($75!!!). Should i hire a contractor or i.

Above Ground Pool Plumbing Layout : How Pool Plumbing SHOULD be put together. - YouTube. Or you can siphon with a garden hose. By michael franco and bob vila photo: Sunny days spent splashing around and having fun. Everything you need to know about owning, setting up and maintaining above ground pool for your home. Safety should be a primary concern of every pool owner.

Komentar

Postingan populer dari blog ini

Nba 2K21 Calculating Upgrade Cost Please Try Again - NBA All-Star Weekend Pin Set ~ Lot of 7 ~ NBA ~ Basketball ...

Financial Close Dashboard - Financial Dashboards See The Best Examples Templates

Financial Stress Adalah / Wardah Beauty Fest 2020, Belajar Financial dan Kelola